
220-240 VAC ile Çalışan Tavan Armatürü İçin Yüksek Frekanslı 5.8GHz±75MHz Sensör
Marka:
HAISENÖğe no.:
HD01VSipariş (MOQ):
100pcsÖdeme:
L/C, T/T, Western UnionÜrün oranı:
Chinasertifika:
CE,ROHS,TUV,RED220-240 VAC ile Çalışan Tavan Armatürü İçin Yüksek Frekanslı 5.8GHz±75MHz Sensör
Özellik:
Şartname
Giriş | Voltaj Aralığı | 220~240 VAC 50/60Hz |
Sensör Parametreleri | Bekleme süresi | 5sn/30sn/1dk/5dk/10dk/20dk/30dk |
Algılama Alanı | %10/%50/%75/%100 | |
Gün Işığı Sensörü | 2Lux/10Lux/50Lux/Devre Dışı | |
Montaj Yüksekliği | Max.6m(tavana monte) Max.3m(duvara monte) | |
Algılama aralığı | Max.ø14m(tavana monte) Max.10m(duvara monte) | |
Kablosuz Parametreler | Çalışma Frekansı | 5,8 GHz ±75 MHz |
İşlev | 0N/0FF+karartma işlevi | |
Çalışma Ortamı | Çalışma Sıcaklığı | -20°C~+55°C |
Güvenlik ve EMC | Sertifika Gereksinimi | CE, ROHS, TUV, KIRMIZI |
Diğerleri | Garanti | 5 yıl |
Kurulum | İçeriye monte edilmiş lambalar | |
IP Derecelendirmesi | IP20 | |
Paketleme Gereksinimi | Baloncuklu ambalaj, düz kağıt, dış karton. | |
Hayat | 50000 saat |
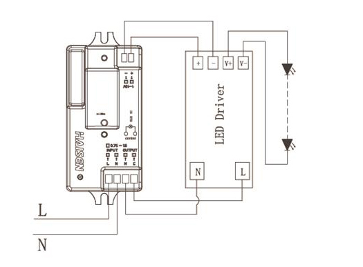
Kablolama şeması
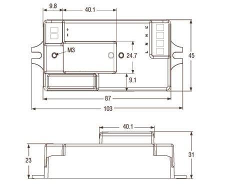
Boyut
Algılama kapsamı
DIP anahtarı ayarı
Demo
Öncesi:
120-277VAC ile çalışan, kısılabilir Gün Işığı Mikrodalga Hareket SensörüSonraki:
Üçlü Korumalı Işık İçin Ultra İnce Tasarımlı Mikrodalga Hareket Sensörü 220-240VACSorularınız veya önerileriniz varsa lütfen bize bir mesaj bırakın, en kısa sürede size cevap vereceğiz!
Kategoriler
Yeni Ürünler
Gün ışığı öncelikli fonksiyona sahip 12V DC IP65 PIR sensörü Devamını oku
Yüksek Tavan ve Alçak Tavan İçin MW/PIR Değiştirilebilir Sensör Devamını oku
Yüksek Tavan ve Alçak Tavan İçin PIR/MW Değiştirilebilir Sensör Devamını oku
Çubuk Anten Mikrodalga Hareket Sensörü Dip Anahtarlı ve Açma-Kapama Fonksiyonlu Liner Kompakt Boyut Devamını oku
© Telif hakkı: 2025 Microtionlight Her hakkı saklıdır.
IPv6 Ağ Desteklendi